КР код
Производи
Контактирајте нас


Фак
+86-574-87168065

Е-маил

Адреса
Индустријска зона Луотуо, округ Зхенхаи, град Нингбо, Кина
Раидафонова СВЦ-ВД кратка универзална спојница без савитљиве прирубнице је направљена да ефикасно покреће обртни момент у тешким машинама—мислите на ваљаонице челика, дизалице, опрему за дизање, сву ту опрему за тешке услове рада. Има компактан, не-телескопски дизајн прирубнице, са пречником окретања у распону од 180 мм до 1320 мм. Ова универзална спојница са кратком прирубницом може да издржи угаона одступања до 15 степени и обртни момент до 16000 кН·м, тако да чак и у уским просторима где нема много простора, одржава поуздан пренос снаге. Израђујемо га од челика високе чврстоће 35ЦрМо, са носећом структуром којој нису потребни завртњи—савршено за универзалне спојнице за тешке машине и нетелескопске универзалне спојнице за индустријску примену. Не захтева много одржавања и траје заувек, што је управо оно што вам је потребно у тешким подешавањима.
Наша производња у Кини прати стандарде ИСО 9001, тако да универзална спојница СВЦ-ВД издржи у тешким условима. Попречна осовина је хромирана како би се одупрла корозији, што јој даје жилавост. Његов крути, заварени дизајн прирубнице чини инсталацију лаком, посебно у металуршкој и рударској опреми где је аксијално померање прилично минимално. Можемо да прилагодимо величину тако да одговара вашим потребама, тако да ова издржљива кратка универзална спојница одлично функционише као прилагођене универзалне спојнице за системе дизалица и друге тешке послове. И цена је такође конкурентна. Раидафонова прецизна израда значи мање застоја и поузданију опрему – нешто на шта индустријски оператери широм света могу да рачунају.
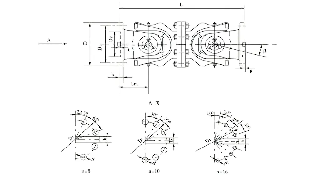
| бр. | Пречник ротације Д мм | Номинални обртни момент Тн КН·м | Угао савијања осе β (°) | Уморни обртни момент Тф КН·м | Величина (мм) | Тежина (кг) | |||||||||
| Лмин | Д1 (јс11) | Д2 (Х7) | Лм | н-д | k | t | b (х9) | g | Лмин | Повећати 100мм | |||||
| СВЦ180ВД | 180 | 12.5 | 6.3 | ≤25 | 440 | 155 | 105 | 110 | 8-17 | 17 | 5 | - | - | 0.145 | 52 |
| СВЦ225ВД | 225 | 40 | 20 | ≤15 | 480 | 196 | 135 | 120 | 8-17 | 20 | 5 | 32 | 9.0 | 0.355 | 82 |
| СВЦ250ВД | 250 | 63 | 31.5 | 560 | 218 | 150 | 140 | 8-19 | 25 | 6 | 40 | 12.5 | 0.831 | 127 | |
| Свц285вд | 285 | 90 | 45 | 640 | 245 | 170 | 160 | 8-21 | 27 | 7 | 40 | 15.0 | 1.715 | 189 | |
| СВЦ315ВД | 315 | 125 | 63 | 720 | 280 | 185 | 180 | 10-23 | 32 | 8 | 40 | 15.0 | 2.820 | 270 | |
| СВЦ350ВД | 350 | 180 | 90 | 776 | 310 | 210 | 194 | 10-23 | 35 | 8 | 50 | 16.0 | 4.791 | 370 | |
| СВЦ390ВД | 390 | 250 | 125 | 860 | 345 | 235 | 215 | 10-25 | 40 | 8 | 70 | 18.0 | 8.229 | 524 | |
| Свц440вд | 440 | 355 | 180 | 1040 | 390 | 255 | 260 | 16-28 | 42 | 10 | 80 | 20.0 | 15.320 | 798 | |
| СВЦ490ВД | 490 | 500 | 250 | 1080 | 435 | 275 | 270 | 16-31 | 47 | 12 | 90 | 22.5 | 25.740 | 1055 | |
| СВЦ550ВД | 550 | 710 | 355 | 1220 | 492 | 320 | 305 | 16-31 | 50 | 12 | 100 | 22.5 | 46.780 | 1524 | |
| СВЦ620ВД | 620 | 1000 | 500 | 1360 | 555 | 380 | 340 | 10-38 | 55 | 12 | 100 | 25.0 | 83.760 | 2120 | |
* 1. Тф-под наизменичним оптерећењем обртни момент који дозвољава према снази замора.
Раидафонова СВЦ универзална спојница – која се обично назива СВЦ универзална спојница карданског вратила – није само део; то је неопходан у тешким индустријским пољима, као што су ваљаонице, опрема за дизање и све врсте тешких подешавања тешких машина. Као спојница са универзалним зглобом високог обртног момента, обавља солидан посао повезујући две осовине преноса које нису савршено поравнате, осигуравајући да се снага испоручује несметано чак и када су услови рада заиста тешки.
Хајде да причамо о његовим основним спецификацијама: пречник ротације се креће од φ58 до φ620, номинални обртни момент је од 0,15 до 1000 кН·м, а угао савијања осе није већи од 25°.
Ова спојница најбоље функционише на одређеним местима—на пример када вам је потребна поуздана универзална спојница за тешке услове рада за рад у ваљаоници, или издржљива СВЦ спојница са универзалним зглобом у опреми за дизање и руковање материјалом. У овим случајевима показује своју снагу: чак и под великим стресом, одржава рад стабилним, без нереда или кварова.
Раидафонова СВЦ универзална спојница није само састављена – направљена је паметним, савременим инжењерингом како би одлично радила и дуго издржала у индустријској употреби. Хајде да прођемо кроз оно што издваја његову структуру.
Прво, има разумну и безбедну конфигурацију: користили смо интегрисани дизајн главе виљушке за ову индустријску универзалну спојницу, која смањује ризике као што су завртњи који се олабаве или ломе. Само то подешавање чини га 30% -50% чвршћим у целини, тако да ради безбедно и доследно. У поређењу са обичним спојницама, он траје много дуже и избегава уобичајене проблеме на местима са високим напоном—као што су системи спојница универзалног зглоба тешке машине које видите на тешким пословима.
Затим, ту је његов побољшани капацитет носивости: ова СВЦ универзална спојница за тешке услове рада направљена је да издржи велике тежине, тако да је неопходна на местима где је потребно врхунско руковање оптерећењем, као што су рударска опрема или грађевинске машине.
Такође постиже високу ефикасност преноса — до 98,6%. Као ефикасна универзална спојница за пренос велике снаге, смањује потрошњу енергије и трошкове који долазе са тим. Зато је то најбољи избор за решења за универзалне спојнице које штеде енергију у индустријским преносним системима велике снаге.
И ради глатко са ниским нивоом буке: пренос остаје стабилан, а бука обично лебди између 30-40 дБ(А). Ова универзална спојница са ниским нивоом буке одржава рад тихим, што је савршено за индустријска места где бука представља проблем—и све то истовремено одржавајући поузданост на високом нивоу.
⭐⭐⭐⭐⭐ Зханг Веи, главни инжењер, Хенан Мининг Екуипмент Цо., Лтд.
Поставили смо Раидафонову универзалну спојницу СВЦ-ВД Схорт Витхоут Флек Фланге Типе на нашу рударску машинерију и савршено се уклапа. Његов компактни дизајн је управо оно што нам је потребно за уске просторе где нема много простора, а конструкција је довољно чврста да одржава рад стабилним. Чак и када ради без престанка у тешким условима, ова спојница нас никада не изневерава – нема никаквих кварова. Наш тим за одржавање воли то што једва да треба да се проверава, што значи да можемо да наставимо да се производња одвија несметано без додатних проблема.
⭐⭐⭐⭐⭐ Мајкл Браун, оперативни менаџер, Текас Стеел Воркс, САД
Наша радионица у Тексасу наручила је универзалну спојницу СВЦ-ВД кратку без флексибилне прирубнице од Раидафона, и искрено, квалитет нас је одушевио. Спојнице су јако добро обрађене, њихова инсталација је лака и поуздано се држе чак и под оптерећењем. Шта ми је највише пало? Колико добро уравнотежује цену и перформансе - не можете често пронаћи ту слатку тачку. Проналажење добављача који доследно испоручује овај ниво квалитета није лако, али Раидафон је апсолутно доказао да су за нас партнер од поверења.
⭐⭐⭐⭐⭐ Ана Милер, супервизор одржавања, Берлин Индустриал Солутионс, Немачка
Раидафонову универзалну спојницу СВЦ-ВД Схорт Витхоут Флек Фланге Типе ставили смо на нашу линију опреме у Берлину и резултати су били одлични. Сам производ делује чврсто, заваривање је прецизно – овде нема лоших радова – и до сада се заиста добро држи, показујући врхунску издржљивост. У поређењу са неким другим брендовима које смо користили овде у Европи, ова спојница је много поузданија, а и цена је много конкурентнија. Ако друге компаније траже поуздане универзалне спојнице, апсолутно бих препоручио Раидафон.
Раидафонова универзална спојница СВЦ-ВД кратка без савитљиве прирубнице—која се често назива универзална спојница СВЦ карданског вратила—направљена је за уска индустријска места, где је простор ограничен и потребан вам је дизајн фиксне дужине (без телескопског проширења). Као спојница са универзалним зглобом високог обртног момента, ефикасно помера обртни момент између осовина које нису поравнате, рукујући угаоним одступањима до 25 степени, и остаје поуздан чак и у тешким окружењима.
Хајде да разговарамо о његовим кључним карактеристикама: Има компактну и круту структуру—ова кратка, нефлексибилна прирубница чини га поузданом универзалном спојницом за тешке услове за рад у ваљаоници, дајући додатну стабилност у подешавањима где је аксијално померање минимално. Зато тако добро функционише за везе на фиксној удаљености у тешким машинама. Затим, ту је и његова висока носивост: за израду користимо чврсте материјале као што су ливено гвожђе или легирани челик, тако да је то издржљива СВЦ спојница универзалне зглобне осовине у опреми за дизање и руковање материјалом. Држи велике тежине и преноси више обртног момента од других спојница истог пречника, што га чини савршеним за велика оптерећења у рударској или грађевинској опреми.
Ова индустријска универзална спојница такође добро компензује неусклађеност - било да је угаона, паралелна или аксијална неусклађеност, не утиче на брзину ротације или пренос обртног момента. То значи несметан рад у системима универзалне спојнице за тешке машине. И ефикасна је у преносу енергије: достижући ефикасност до 98,6%, ова СВЦ спојница са универзалним зглобом за тешке услове рада одржава ниске губитке енергије, што је чини ефикасном универзалном спојницом за пренос велике снаге у индустријским постројењима велике снаге.
Осим тога, дизајниран је да штеди енергију и ради тихо – ако су вам потребна решења за универзалне спојнице које штеде енергију, ово је најбољи избор, смањујући оперативне трошкове. И одржава буку између 30-40 дБ(А), тако да се ова нискошумна универзална спојница уклапа у индустријска места где бука представља забринутост.
Ова спојница заиста блиста у специфичним сценаријима—као када вам је потребна поуздана универзална спојница за тешке услове рада за рад у ваљаоници, или издржљива СВЦ спојница са универзалним зглобом у опреми за дизање и руковање материјалом. У овим случајевима, чак и са екстремним оптерећењима и ограниченим простором, одржава рад стабилним, без штуцања.
Када је реч о индустријским апликацијама за универзалне спојнице, наша СВЦ-ВД варијанта се истиче паметним инжењерингом који чини да ради боље и траје дуже. Хајде да причамо о његовој кључној структури: има разумну, безбедну поставку са интегрисаним дизајном главе виљушке - ово се ослобађа проблема као што су завртњи који се олабаве или ломе, повећавајући укупну снагу за 30% -50%. То значи да ради безбедно и поуздано, траје дуже од модела старог стила и избегава уобичајене кварове на местима са високим стресом, као што су системи спојница универзалних зглобова тешких машина.
Осим тога, може да поднесе много веће оптерећење—направили смо га да издржи веће тежине, тако да је ова СВЦ универзална спојница за тешке услове рада савршена за места која захтевају тешко руковање теретом, попут рударске или грађевинске опреме. Такође преноси снагу супер ефикасно, достижући ефикасност преноса до 98,6%. Као ефикасна универзална спојница за пренос велике снаге, смањује употребу енергије и трошкове који долазе са њом, чинећи је врхунским избором за решења за универзалне спојнице које штеде енергију у индустријским преносним системима велике снаге.
И ради глатко, без икакве буке—пренос остаје стабилан, а бука обично остаје између 30-40 дБ(А). Ова универзална спојница са ниским нивоом буке одржава рад тихим, што је савршено за индустријска места где бука представља проблем, а истовремено одржава поузданост на високом нивоу.
Раидафон није само друго име у деловима за пренос – ми смо водећи произвођач и добављач компоненти за пренос високих перформанси и решења за индустријске машине, и имамо оштар фокус на производе као што је СВЦ карданска спојница са универзалним зглобом. Почели смо да идемо у корак са оним што је потребно глобалним индустријама како се развијају, а временом смо направили пуну линију: мењаче, погонске осовине, хидрауличне цилиндре, ременице, прецизне алатне машине — све је направљено да повећа колико добро функционишу пољопривредни и тешки сектори. Велики смо у иновацијама, због чега можемо да испоручимо поуздану универзалну спојницу за тешке услове рада за рад у ваљаоници која се без проблема уклапа чак и у најсложеније системе.
Наши објекти су такође врхунски — имамо ЦНЦ радионице, опрему за брушење и термичку обраду и напредне 3Д системе за мерење. Држимо се строгих стандарда квалитета као што је ИСО9001/ТС16949, и то подешавање нам омогућава да направимо решења за универзалне спојнице са високим обртним моментом која одлично померају обртни момент и као професионалац се носе са неусклађеношћу. Узмите, на пример, нашу издржљиву спојницу универзалне осовине СВЦ у опреми за дизање и руковање материјалом—направљена је за места којима је потребна јака носивост. А наша индустријска универзална спојна линија? Покрива све врсте употребе где су прецизност и чврстоћа најважнији.
Осамдесет посто онога што направимо извози се — шаље се у места као што су САД, Немачка, Јапан, Италија, Малезија, Аустралија и Блиски исток. Имамо јаке мреже у Кини, Јужној Кореји, Великој Британији, Сингапуру, САД-у и Шпанији, тако да смо солидни на глобалном нивоу. Тај домет нам омогућава да понудимо прилагођене СВЦ опције за универзалне спојнице за тешке услове рада—прилагођене тачно ономе што је потребно клијентима, као у системима за универзалне спојнице за тешке машине где се о постојању стабилности под екстремним оптерећењима не може преговарати.
Бринемо о одрживости и стварању решења која стављају клијенте на прво место. Зато развијамо решења за универзалне спојнице за уштеду енергије која постижу ефикасност преноса до 98,6% – смањујући потрошњу енергије у системима велике снаге. Без обзира да ли вам је потребна ефикасна универзална спојница за пренос велике снаге или нискошумна универзална спојница за индустријска места где бука представља проблем, наши производи долазе са комплетном постпродајном услугом. Тако смо постали партнер од поверења у индустрији преноса – не само да продајемо делове, већ их подржавамо.
Адреса
Индустријска зона Луотуо, округ Зхенхаи, град Нингбо, Кина
Тел
Е-маил


+86-574-87168065


Индустријска зона Луотуо, округ Зхенхаи, град Нингбо, Кина
Ауторско право © Раидафон Тецхнологи Гроуп Цо., Лимитед Сва права задржана.
Links | Sitemap | RSS | XML | Политика приватности |
