КР код
Производи
Контактирајте нас


Фак
+86-574-87168065

Е-маил

Адреса
Индустријска зона Луотуо, округ Зхенхаи, град Нингбо, Кина
Раидафонова универзална спојница за кратко савитљиво заваривање СВЦ-ДХ је направљена да повеже неусклађене осовине у зупчаницима за тешке услове рада—мислите на ваљаонице, дизалице и машине за обраду челика. То је компактна кратка флексибилна универзална спојница, са пречником окретања који се креће од 45 мм до 390 мм. Чак и када су осовине искључене за до 25 степени (угаона неусклађеност), она и даље ефикасно помера обртни момент—максимални при 1000 кН·м, што се савршено уклапа у потребе за снагом тешке опреме.
Израђујемо га од челика високе чврстоће 35ЦрМо и додајемо четири игличаста лежаја, тако да издржи под великим оптерећењем. Због тога је то добар избор за универзалне спојнице за индустријске машине и одлично функционише као тешка опрема заварила универзалне спојнице на местима где оптерећење остаје високо без престанка. Његов дизајн са кратким савијањем такође је савршен за машине са мало простора за аксијално померање—даје чврст пренос за тешке индустријске просторе.
Раидафон је произвођач са седиштем у Кини са ИСО 9001 сертификатом, тако да се придржавамо строгих правила квалитета за сваку СВЦ-ДХ универзалну спојницу. Попречно вратило добија хромирану плочу за борбу против корозије, тако да траје чак и у тешким условима. Заварени јарам такође чини инсталацију лакшом — само поставите осовине у праву линију и ради најбоље. Наћи ћете га на опреми у металургији, рударству и кранским системима, без проблема.
Поред тога, ова спојница долази у различитим величинама и оценама обртног момента. Ако вам је потребна прилагођена универзална спојница за индустријске машине — рецимо, за комбајне или другу специфичну опрему — можемо је прилагодити вашим потребама, а цена ће остати конкурентна. Имамо производно знање како да ову кратку флексибилну спојницу смањимо застоје опреме, тако да ваше машине свеукупно раде поузданије.
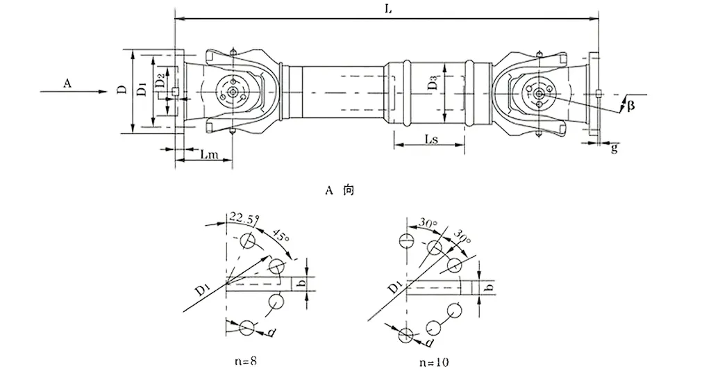
| бр. | Пречник ротације Д мм | Номинални обртни момент Тн КН·м | Угао савијања осе β (°) | Уморни обртни момент Тф КН·м | Флек куантити Лс мм | Величина (мм) | Ротациона инерција кг.м2 | Тежина (кг) | |||||||||||
| Лмин | Д1 (јс11) | Д2 (Х7) | Д3 | Лм | н-д | k | t | b (х9) | g | Лмин | Повећати 100мм | Лмин | Повећати 100мм | ||||||
| СВЦ180ДХ1 | 180 | 20 | 10 | ≤25 | 75 | 650 | 155 | 105 | 114 | 110 | 8-17 | 17 | 5 | - | - | 0.165 | 0.0070 | 58 | 2.8 |
| СВЦ180ДХ2 | 55 | 600 | 0.162 | 56 | |||||||||||||||
| СВЦ180ДХ3 | 40 | 550 | 0.160 | 52 | |||||||||||||||
| СВЦ225ДХ1 | 225 | 40 | 20 | ≤15 | 85 | 710 | 196 | 135 | 152 | 120 | 20 | 5 | 32 | 9.0 | 0.415 | 0.0234 | 95 | 4.9 | |
| СВЦ225ДХ2 | 70 | 640 | 0.397 | 92 | |||||||||||||||
| СВЦ250ДХ1 | 250 | 63 | 31.5 | ≤15 | 100 | 795 | 218 | 150 | 168 | 140 | 8-19 | 25 | 6 | 40 | 12.5 | 0.900 | 0.0277 | 148 | 5.3 |
| СВЦ250ДХ2 | 70 | 735 | 0.885 | 136 | |||||||||||||||
| СВЦ285ДХ1 | 285 | 90 | 45 | ≤15 | 120 | 950 | 245 | 170 | 194 | 160 | 8-21 | 27 | 7 | 40 | 15.0 | 1.876 | 0.0510 | 229 | 6.3 |
| СВЦ285ДХ2 | 80 | 880 | 1.801 | 221 | |||||||||||||||
| СВЦ315ДХ1 | 315 | 125 | 63 | ≤15 | 130 | 1070 | 280 | 185 | 219 | 180 | 10-23 | 32 | 8 | 40 | 15.0 | 3.331 | 0.0795 | 346 | 8.0 |
| СВЦ315ДХ2 | 90 | 980 | 3.163 | 334 | |||||||||||||||
| СВЦ350ДХ1 | 350 | 180 | 90 | ≤15 | 140 | 1170 | 310 | 210 | 267 | 194 | 10-23 | 35 | 8 | 50 | 16.0 | 6.215 | 0..2219 | 508 | 15.0 |
| СВЦ350ДХ2 | 90 | 1070 | 5.824 | 485 | |||||||||||||||
| СВЦ390ДХ1 | 390 | 250 | 125 | ≤15 | 150 | 1300 | 345 | 235 | 267 | 215 | 10-25 | 40 | 8 | 70 | 18.0 | 11.125 | 0.2219 | 655 | |
| СВЦ390ДХ2 | 90 | 1200 | 10.763 | 600 | |||||||||||||||
* 1. Тф-под наизменичним оптерећењем обртни момент који дозвољава према снази замора. * 2. Лмин-најмања дужина након реза. * 3. Л-уградња дужине, која је у складу са захтевом
СВЦ универзална спојница, која се често назива универзална спојница карданског вратила СВЦ, кључна је компонента у тешким индустријским сценаријима. Неопходан је за ваљаонице, машине за дизање и разне системе тешких машина великих размера. Као универзална спојница високог обртног момента, може ефикасно да повеже два преносна вратила са неподударним осовинама, обезбеђујући непрекидан пренос снаге чак и под сложеним и тешким радним условима.
Основни технички параметри ове спојнице су следећи:
Пречник ротације: φ58 - φ620
Номинални обртни момент: 0,15 - 1000 кН·м
Угао савијања осовине: ≤25°
У практичним применама, делује изузетно добро. На пример, током рада у ваљаоници, када је потребна поуздана универзална спојница за тешке услове рада намењена ваљаоницама, или у опреми за дизање и руковање материјалом, када је потребна издржљива СВЦ спојница са универзалним зглобом, овај производ је потпуно компетентан. Чак и под великим оптерећењем, може стабилно одржавати оперативну стабилност опреме.
СВЦ универзална спојница је дизајнирана коришћењем напредних инжењерских принципа, пружајући изузетне перформансе и дужи радни век у индустријским окружењима. Његове главне структурне карактеристике су следеће:
Разумна и безбедна структура: Са интегрисаним дизајном главе виљушке, ова индустријска универзална спојница смањује ризик од отпуштања или лома вијака, повећавајући структурну чврстоћу за 30% -50%. Овај дизајн осигурава безбедан и поуздан рад, продужава радни век у поређењу са традиционалним моделима и спречава уобичајене кварове у сценаријима високог притиска као што су системи спојница универзалног зглоба тешке машине.
Повећана носивост: СВЦ универзална спојница за тешке услове рада је посебно дизајнирана да поднесе тешка оптерећења, што је чини неопходним у сценаријима који захтевају одлично управљање оптерећењем као што су рударске или грађевинске машине.
Висока ефикасност преноса: Са ефикасношћу до 98,6%, ова ефикасна универзална спојница за пренос велике снаге значајно смањује потрошњу енергије и повезане трошкове, што је чини првим избором за решења за универзалне спојнице које штеде енергију у индустријским преносним системима велике снаге.
Стабилан рад са ниским нивоом буке: Ова нискошумна универзална спојница ради стабилно са нивоима буке типично између 30-40 дБ(А), обезбеђујући тихе перформансе. Идеалан је за окружења осетљива на буку уз одржавање високе поузданости.
Универзалне спојнице, посебно универзална спојница карданског вратила СВЦ, постале су незаменљиве компоненте преноса у индустријској примени због својих изузетних предности. Они могу да задовоље основне потребе својим перформансама у областима као што су тешке машине, прецизна производња и пренос енергије. Испод је детаљна анализа њихових кључних предности:
1. Снажан пренос обртног момента и одлична компензација неусклађености
Као универзална спојница високог обртног момента, може стабилно да преноси оптерећења велике снаге. Чак иу сценаријима где се неусклађеност осовине често дешава током рада у ваљаоници — као што је аксијални помак узрокован хабањем ваљака и променама температуре током ваљања челика — ова поуздана универзална спојница за тешке услове рада за рад у ваљаоници може са лакоћом да се носи са тим. Може истовремено да компензује угаоне, аксијалне и радијалне неусклађености, са максималним угаоним одступањем до 25 степени. Ова одлична прилагодљивост неусклађености спречава застоје преноса узроковане неусклађеношћу осовине, обезбеђује континуирану и стабилну испоруку снаге, значајно смањује вероватноћу механичких кварова у екстремним радним условима и гарантује непрекидан рад производних линија.
2. Висока издржљивост и дужи радни век
Дизајн и избор материјала СВЦ спојница са универзалним зглобом су усредсређени на „отпор великим оптерећењима и отпорност на оштра окружења“. Главно тело је направљено од легираног челика високе чврстоће, у комбинацији са интегрисаном структуром главе виљушке, што у основи смањује уобичајене тачке квара као што су отпуштање вијака и лом компоненти. Узимајући за пример издржљиву СВЦ универзалну спојницу вратила која се користи у опреми за дизање и руковање материјалом, може да издржи тренутно оптерећење при подизању тешких предмета и да одржи стабилне перформансе у тешким окружењима као што су прашина и високе температуре. У поређењу са традиционалним спојницама са подељеном структуром, ова индустријска универзална спојница има укупну снагу повећану за 30%-50%, што не само да смањује учесталост свакодневног одржавања већ и продужава век трајања за 2-3 године. Посебно је погодан за дугорочне потребе рада са великим оптерећењем система за универзалне спојнице за тешке машине.
3. Висока ефикасност преноса и значајан ефекат уштеде енергије
Тестови су показали да је ефикасност преноса СВЦ универзалне спојнице за тешке услове рада чак 98,6%, што има очигледне предности у сценаријима индустријског преноса велике снаге—као што су вентилатори високих пећи у челичанама и системи за транспорт угља у електранама. За опрему која захтева непрекидан пренос велике снаге, усклађивање са овом ефикасном универзалном спојницом за пренос велике снаге може да минимизира губитак снаге. За предузећа која траже универзална спојна спојница која штеде енергију, ова висока ефикасност се може директно претворити у предности у погледу трошкова: узимајући за пример индустријски мотор од 1500 кВ, може уштедети више од 12.000 јуана у трошковима електричне енергије годишње и може помоћи предузећима да смање значајне оперативне трошкове у дуготрајној употреби, док се придржавају тренда уштеде енергије у индустрији.
4. Стабилан и тих рад, погодан за више сценарија
Оптимизацијом тачности налегања лежаја и употребом масти за подмазивање са ниским коефицијентом трења, радна бука ове нискошумне универзалне спојнице је строго контролисана на 30-40 дБ(А), што је еквивалентно нивоу амбијенталне буке у дневној канцеларији и у потпуности је у складу са стандардом буке на индустријској локацији. У сценаријима осетљивим на буку – као што су производне линије у постројењима за прераду хране и транспортна опрема за прецизне електронске компоненте – може не само да обезбеди стабилност и поузданост система преноса, већ и да избегне утицај буке на окружење радионице или радно искуство запослених. Истовремено, стабилне карактеристике преноса такође могу да смање хабање околних компоненти узроковано вибрацијама опреме, додатно побољшавајући радну стабилност и радни век целог производног система.
СВЦ-ДХ универзална спојница за кратко савитљиво заваривање, која се често назива универзална спојница карданског вратила СВЦ, углавном се користи у сценаријима тешких машина као што су ваљаонице и дизалице. Ова врста опреме има изузетно високе захтеве за структурну компактност и флексибилност — само испуњавањем ове две тачке може се постићи ефикасан рад, а ова спојница савршено задовољава те потребе. Као спојница са универзалним зглобом високог обртног момента, може ефикасно да повеже два преносна вратила са неподударним осовинама, обезбеђујући беспрекоран пренос снаге чак и у тешким индустријским окружењима која захтевају прецизну компензацију за неусклађеност система вратила.
У практичним применама, било да је потребна поуздана универзална спојница за тешке услове рада у ваљаоници током рада у ваљаоници, или је потребна издржљива спојница универзалне спојнице вратила СВЦ у опреми за дизање и руковање материјалом, овај производ може да ради одлично—може да одржава стабилан рад опреме чак и под екстремним оптерећењима. Предност његове прилагодљивости је посебно истакнута у компактним распоредима опреме где је простор ограничен и потребан је кратак флексибилан дизајн структуре.
Ова СВЦ-ДХ индустријска универзална спојница је направљена са напредном инжењерском технологијом и оптимизована за перформансе и радни век посебно за индустријске сценарије. Његова основна структурна карактеристика лежи у разумном и безбедном дизајну: интегрисана структура главе виљушке у основи елиминише скривене опасности од отпуштања или лома завртња, повећавајући укупну чврстоћу за 30%-50%. Овај дизајн не само да обезбеђује сигурност и поузданост рада, већ и продужава радни век у поређењу са традиционалним моделима, док избегава уобичајене проблеме са кваровима у сценаријима примене високог напрезања, као што су системи спојница универзалног зглоба за тешке машине.
Поред тога, његов капацитет носивости је побољшан дизајном да издржи веће тежине, тако да је ова СВЦ универзална спојница за тешке услове рада веома погодна за сценарије са строгим захтевима у погледу носивости, као што су рударске машине и грађевинска опрема. У погледу ефикасности преноса, достиже и до 98,6%. Као ефикасна универзална спојница за пренос велике снаге, може значајно смањити потрошњу енергије и трошкове електричне енергије, што га чини пожељним производом за решења за универзалне спојнице које штеде енергију у области индустријског преноса велике снаге.
Коначно, ова спојница има стабилан пренос, са радном буком која се обично контролише на 30-40 дБ(А), што га чини универзалном спојницом са ниским нивоом буке. Ова карактеристика му омогућава да ради тихо чак иу индустријским сценаријима осетљивим на буку, уз одржавање високе поузданости у сваком тренутку.
⭐⭐⭐⭐⭐ Ванг Леи, инжењер пројекта, Гуангдонг Хеави Мацхинери Цо., Лтд.
Већ неко време користимо Раидафонову универзалну спојницу типа СВЦ-ДХ са кратким савитљивим заваривањем у нашој тешкој машини, и било је то пријатно изненађење – посебно када је у питању уклапање у уска места. Наша опрема има прилично ограничен простор за делове преноса, али компактни дизајн ове спојнице пристаје као рукавица, нема потребе за преуређивањем других компоненти само да би функционисала.
Оно што је још боље је да не жртвује перформансе због величине. И даље пружа снажан, стабилан пренос обртног момента – критичан за наше тешке операције. Непрекидно смо га користили недељама и није било абнормалних вибрација; цео систем остаје глатко. Квалитет заваривања је такође још један врхунац - можете рећи да је солидан само ако га погледате, што нам даје потпуно поверење да ће издржати дуготрајну тешку употребу. За спојницу која балансира дизајн који штеди простор и поузданост, ово је победник.
⭐⭐⭐⭐⭐ Зхао Минг, менаџер набавке, Тиањин Стеел Екуипмент Цо., Лтд.
Недавно смо наручили неколико СВЦ-ДХ спојница од Раидафона, и морам да кажем да је цео процес набавке био лак - без главобоље, без кашњења. Од тренутка када смо послали поруџбину, њихов тим је реаговао, а испорука се појавила тачно на заказани датум, што је велики плус за одржавање наше производње на правом путу. Паковање је такође било врхунско: свака спојница је била безбедно умотана, без удубљења или оштећења током транспорта — само спремна за распакивање и инсталацију.
Наш технички тим се побринуо за подешавање и одмах су споменули како је било лако монтирати. Нема компликованих корака, нема потребе за тражењем специјалних алата – брзо су га поставили и од тада ради поуздано. Када узмете у обзир разумну цену упарен са овим доследним перформансама, јасно је да ова спојница нуди велику вредност. Већ планирамо да га задржимо на нашој редовној листи набавки; то је врста производа која ми олакшава посао као купца.
⭐⭐⭐⭐⭐ Лиу Хонг, директор одржавања, Схандонг Индустриал Гроуп
Као неко ко надгледа одржавање опреме, мој највећи приоритет је смањење застоја и смањење времена које мој тим троши на сервисирање делова. Раидафонова СВЦ-ДХ спојница савршено проверава обе ове кутије. Користимо га у опреми која свакодневно ради под великим оптерећењем и никада не клизи или се помера — остаје чврсто на месту, нема лабавих веза. Чак и након месеци употребе, једва да има било каквих знакова хабања, што је огроман контраст у односу на друге спојнице које смо раније користили.
Са тим старијим спојницама, увек смо заказивали брзе поправке или замену делова, што је трошило време производње и повећавало трошкове. Овај? Једва га додирујемо — нема честог сервисирања, нема неочекиваних кварова. Уштедео нам је толико времена и новца на одржавању, а само поуздано ради свој посао. Ових дана, то је постала главна компонента у нашим свакодневним операцијама; Не морам да бринем да ће пропасти, што ми омогућава да се фокусирам на друге приоритете. То је управо она врста поузданог дела који је потребан сваком тиму за одржавање.
Адреса
Индустријска зона Луотуо, округ Зхенхаи, град Нингбо, Кина
Тел
Е-маил


+86-574-87168065


Индустријска зона Луотуо, округ Зхенхаи, град Нингбо, Кина
Ауторско право © Раидафон Тецхнологи Гроуп Цо., Лимитед Сва права задржана.
Links | Sitemap | RSS | XML | Политика приватности |
