КР код
Производи
Контактирајте нас


Фак
+86-574-87168065

Е-маил

Адреса
Индустријска зона Луотуо, округ Зхенхаи, град Нингбо, Кина
Раидафонова универзална спојница СВЦ-БФ Стандард Флек прирубница је направљена да поуздано покреће обртни момент у тешким машинама—мислите на ваљаонице, опрему за производњу папира, индустријске погоне, све поставке које захтевају тешке перформансе. Има флексибилан дизајн прирубнице, са пречником окретања у распону од 180 мм до 620 мм, а ова стандардна флексибилна универзална спојница управља угаоним неусклађеностима до 15 степени плус обртни момент до 1250 кН·м. Чак иу захтевним радним окружењима, ради стабилно, без прекида. Израђујемо га са 35ЦрМо челиком високе чврстоће и прецизним игличастим лежајевима, тако да је савршен као универзалне спојнице за индустријске машине и спојнице са савитљивом прирубницом за тешку опрему – снажно покреће снагу и једва примећујете било какву вибрацију.
Наша производња у Кини прати стандарде ИСО 9001, тако да универзална спојница СВЦ-БФ траје дуго и отпорна је на корозију—све захваљујући својој хромираној попречној осовини. Прирубнички прикључак олакшава инсталацију, што је велика помоћ у областима попут металургије, рударства и бродоградње—места где вам је потребна умерена аксијална флексибилност. Такође можемо да прилагодимо његову величину и оцене обртног момента, тако да ова издржљива флексибилна универзална спојница одлично функционише као прилагођене универзалне спојнице за ваљаонице и друге индустријске потребе. И цена је конкурентна, без претеривања. Раидафоново знање значи да ћете трошити мање времена на одржавање, а ваша опрема ће остати поузданија – нешто на шта оператери широм света могу да рачунају.
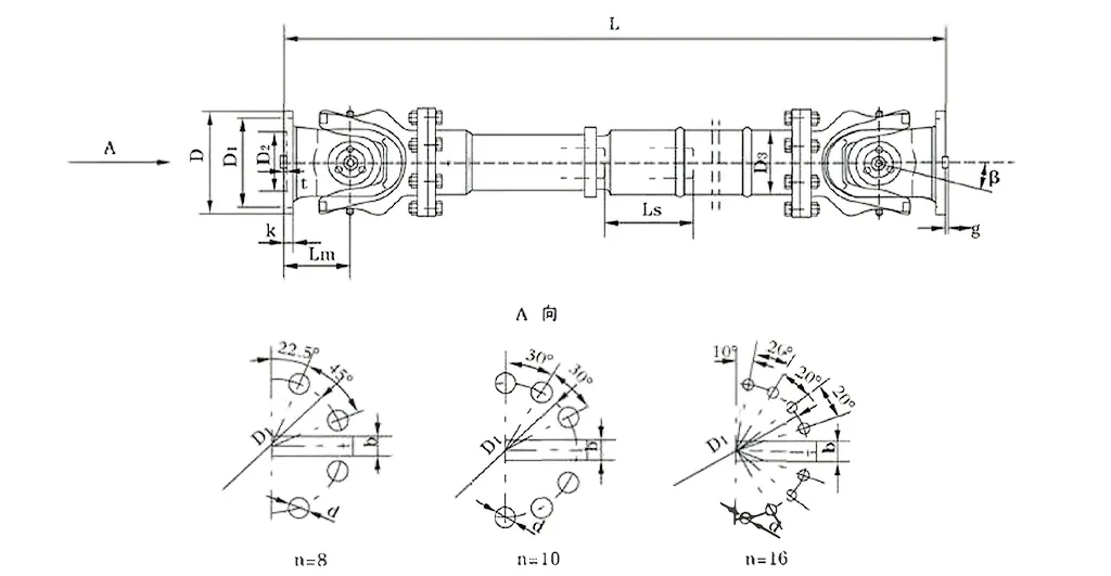
| бр. | Пречник ротације Д мм | Номинални обртни момент Тн КН·м | Угао савијања осе β (°) | Уморни обртни момент Тф КН·м | Флек куантити Лс мм | Величина (мм) | Ротациона инерција кг.м2 | Тежина (кг) | |||||||||||
| Лмин | Д1 (јс11) | Д2 (Х7) | Д3 | Лм | н-д | k | t | b (х9) | g | Лмин | Повећати 100мм | Лмин | Повећати 100мм | ||||||
| СВЦ180БФ | 180 | 12.5 | 6.3 | ≤25 | 100 | 810 | 155 | 105 | 114 | 110 | 8-17 | 17 | 5 | -1.455 | - | 0.27 | 0.0070 | 80 | 2.8 |
| СВЦ225БФ | 225 | 40 | 20 | ≤15 | 140 | 920 | 196 | 135 | 152 | 120 | 8-17 | 20 | 5 | 32 | 9 | 0.79 | 0.0234 | 138 | 4.9 |
| СВЦ250БФ | 250 | 63 | 31.5 | 1035 | 218 | 150 | 168 | 140 | 8-19 | 25 | 6 | 40 | 12.5 | 1.46 | 0.0277 | 196 | 5.3 | ||
| СВЦ285БФ | 285 | 90 | 45 | 1190 | 245 | 170 | 194 | 160 | 8-21 | 27 | 7 | 40 | 15 | 2.87 | 0.0510 | 295 | 6.3 | ||
| СВЦ315БФ | 315 | 125 | 63 | 1315 | 280 | 185 | 219 | 180 | 10-23 | 32 | 8 | 40 | 15 | 5.09 | 0.0795 | 428 | 8.0 | ||
| СВЦ350БФ | 350 | 180 | 90 | 150 | 1410 | 310 | 210 | 267 | 194 | 10-23 | 35 | 8 | 50 | 16 | 9.20 | 0.2219 | 632 | 15.0 | |
| СВЦ390БФ | 390 | 250 | 125 | 170 | 1590 | 345 | 235 | 267 | 215 | 10-25 | 40 | 8 | 70 | 18 | 16.62 | 0.2219 | 817 | 15.0 | |
| СВЦ440БФ | 440 | 355 | 180 | 190 | 1875 | 390 | 255 | 325 | 260 | 16-28 | 42 | 10 | 80 | 20 | 28.24 | 0.4744 | 1290 | 21.7 | |
| СВЦ490БФ | 490 | 500 | 250 | 190 | 1985 | 435 | 275 | 325 | 270 | 16-31 | 47 | 12 | 90 | 22.5 | 46.33 | 0.4744 | 1631 | 21.7 | |
| СВЦ550БФ | 550 | 710 | 355 | 240 | 2300 | 492 | 320 | 426 | 305 | 16-31 | 50 | 12 | 100 | 22.5 | 86.98 | 1.3570 | 2567 | 34.0 | |
| СВЦ620БФ | 620 | 1000 | 500 | 240 | 2500 | 555 | 380 | 426 | 340 | 10-38 | 55 | 12 | 100 | 25 | 147.50 | 1.3570 | 3267 | 34.0 | |
Универзалне спојнице—које се називају и универзалне спојнице—су механички делови који покрећу обртни момент и ротационо кретање између две осовине које можда нису савршено постављене. Они се баве угаоним, аксијалним и радијалним неусклађеностима, а истовремено одржавају ефикасан пренос снаге у различитим индустријским употребама. У Раидафону, наша СВЦ серија карданског вратила је врхунски пример врхунског инжењеринга овде, нудећи решења за универзалне спојнице високог обртног момента направљена само за места са тешким оптерећењем као што су ваљаонице и машине за дизање.
Хајде да разложимо главне типове универзалних спојница:
Прво је једноструки универзални зглоб. Има један стожер у облику крста који повезује два јарма, омогућавајући осовинама да имају угаоно одступање до 45 степени. Добро функционише за подешавања са умереним помацима, иако може изазвати промене брзине. Раидафонова поуздана универзална спојница за тешке услове рада за рад у ваљаоници често користи једноструке спојеве у компактним конструкцијама, тако да се одлично држи чак и под великим оптерећењима.
Затим ту је двоструки универзални зглоб. Има два појединачна зглоба повезана заједно, што се бави већим неусклађеностима и одржава брзину преноса скоро константном — савршено за компликована подешавања осовине. Када вам је потребна издржљива СВЦ спојница са универзалним зглобом у опреми за дизање и руковање материјалом, Раидафонови модели двоструких зглобова повећавају стабилност и смањују вибрације у индустријским системима универзалних спојница под високим напрезањем.
Следећи је телескопски или прошириви универзални зглоб. Има шиљке или клизне делове који вам омогућавају да прилагодите дужину, а истовремено компензује неусклађеност, што функционише за аксијална померања у динамичким подешавањима. Раидафонова СВЦ универзална спојница за тешке услове рада укључује телескопске опције—они делују као ефикасна универзална спојница за пренос велике снаге на местима као што су рудници или градилишта, где вам је потребна флексибилност дужине осовине.
Постоје и типови чврстих, досадних или урезаних главчина. Оне се разликују по начину на који се спајају: чврсте главчине немају рупе, избушене главчине имају округле, шестоугаоне или четвртасте отворе, а урезане главчине имају жљебове за чврсто приањање. За решења за универзалне спојнице које штеде енергију, Раидафон нуди урезане дизајне у нашој линији универзалних спојница са ниским нивоом буке—они оптимизују испоруку обртног момента и одржавају буку на 30-40 дБ(А) на осетљивим индустријским местима.
Раидафон-ове универзалне спојнице, укључујући СВЦ серију, направљене су са интегрисаним дизајном главе виљушке - нема више проблема са завртњима, што повећава снагу за 30% -50% и постиже ефикасност преноса до 98,6%. Ове карактеристике чине наше производе врхунским избором за професионалце којима су потребна прилагођена решења високих перформанси.
Универзалне спојнице — узмите Раидафонову СВЦ спојницу за карданско вратило као врхунски пример — доносе велике предности индустријским преносним системима. Они ефикасно померају обртни моменат између осовина које нису поравнате, рукујући свим врстама одступања, и неопходни су за несметано одвијање операција у тешким окружењима – попут оних којима су потребна решења за универзалне спојнице високог обртног момента.
Хајде да заронимо у њихове главне предности: Прво, они су одлични у компензацији неусклађености. Универзалне спојнице подносе угаона, аксијална и радијална одступања до 25 степени, што их чини поузданим универзалним спојницама за тешке услове рада за ваљаонице. Они то раде без додавања превише механичког напрезања или вибрација, тако да ваша машина остаје заштићена.
Затим је ту њихова издржљивост и дуг радни век. Ми правимо ове спојнице са интегрисаним дизајном главе виљушке и материјалима високе чврстоће, што смањује ризике као што су завртњи који се олабаве или ломе — повећавајући структурални интегритет за 30%-50%. Због тога издржљива спојница универзалне осовине СВЦ у опреми за дизање и руковање материјалом ради тако добро за дуга дела у тешким условима; далеко надмашује традиционалне моделе.
Такође имају врхунски капацитет носивости и обртног момента. Конструисана да издржи велике тежине и пренесе номиналне обртне моменте од 0,15 до 1000 кН·м, индустријска универзална спојница блиста у системима карданског зглоба за тешке машине. У овим поставкама, конзистентне перформансе под екстремним оптерећењима су добре или прекинуте, а ова спојница даје резултате сваки пут.
Када је у питању ефикасност преноса енергије, тешко их је победити. Постижући ефикасност до 98,6%, СВЦ универзална спојница за тешке услове рада одржава низак губитак енергије. То га чини ефикасном универзалном спојницом за пренос велике снаге у индустријским апликацијама велике снаге, а током времена та ефикасност доприноси стварним уштедама трошкова.
На крају, али не и најмање важно, они штеде енергију и раде тихо. Као универзална спојна решења која штеде енергију, смањују потрошњу електричне енергије и раде на само 30-40 дБ(А). Ова универзална спојница са ниским нивоом буке је савршена за индустријска места где је бука забринута — добијате сву поузданост која вам је потребна без гласног рада.
Универзалне спојнице—већина људи их називају универзалне спојнице—функционишу на једноставној, али ефикасној механичкој идеји: покрећу обртни момент и ротационо кретање између две осовине које се не поређају савршено, рукујући угаоним, аксијалним и радијалним неусклађеностима без прескакања. Узмите, на пример, Раидафонову СВЦ спојницу карданског вратила - то је одличан приказ овог принципа. Користи стожер у облику крста (ми га често зовемо паук) за повезивање јармова на свакој осовини, тако да се снага преноси глатко чак и у заузетим индустријским поставкама.
Срце начина на који функционише је тај попречни стожер: омогућава јармовима да се ротирају независно, што надокнађује нагиб осовине до 25 степени, док истовремено одржава испоруку обртног момента. Ова спојница са универзалним зглобом високог обртног момента такође држи промене брзине ротације на минимуму – посебно када је у питању дизајн двоструког зглоба – тако да је савршена за послове којима је потребна поуздана универзална спојница за тешке услове рада за рад у ваљаоници. А са Раидафоновом СВЦ серијом, додали смо интегрисани дизајн главе виљушке како бисмо овај механизам учинили још бољим: ослобађа се проблема као што су завртњи који се олабаве, повећава структурну чврстоћу за 30%-50% и помаже да дуже траје на местима са високим стресом.
Овај принцип такође подржава велику носивост. Спојница подноси номиналне обртне моменте од 0,15 до 1000 кН·м, са пречницима окретања између φ58 и φ620—због тога је издржљива СВЦ универзална спојница вратила у опреми за дизање и руковање материјалом тако солидан избор за тешке операције. Осим тога, индустријска спојница са универзалним зглобом достиже ефикасност преноса до 98,6%, смањујући потрошњу енергије у системима спојница са карданом за тешке машине.
Штавише, Раидафонова СВЦ универзална спојница за тешке услове рада има карактеристике које се подударају са фокусом принципа на несметан рад: одржава пренос стабилним, а бука остаје између 30-40 дБ(А). То га чини ефикасном универзалном спојницом за пренос велике снаге и врхунским решењем за универзалну спојницу која штеди енергију за индустријске инсталације велике снаге. Све у свему, ова нискошумна универзална спојница држи ствари тихим, тако да одлично функционише на местима где је бука забринута — без жртвовања поузданости.
⭐⭐⭐⭐⭐ Ли Јун, виши инжењер, Јиангсу Повер Екуипмент Цо., Лтд.
Већ неколико месеци користимо Раидафонову СВЦ-БФ стандардну универзалну спојницу типа флекс прирубнице и ради одлично. Оно што се највише истиче је флексибилност ове спојнице — учинила је нашу машинерију много поузданијом, посебно када је у питању компензација неусклађености осовине. Инсталирање је био лак процес, без лукавих корака, а квалитет завара такође изгледа солидно — дефинитивно нам даје мир да ће трајати. За цену, то је заиста добра вредност, а ако сте у индустрији тешких машина, апсолутно бих препоручио ову универзалну спојницу са флексибилном прирубницом.
⭐⭐⭐⭐⭐ Џон Дејвис, машински инжењер, Манцхестер Енгинееринг Лтд., УК
У нашој фабрици у Манчестеру, заменили смо стару спојницу за Раидафонову СВЦ-БФ стандардну универзалну спојницу типа Флек Фланге, и разлика је одмах била очигледна. Ова универзална спојница покреће снагу глатко и ефикасно, чак и када је користимо у условима високог стреса — никада не посустаје. Флексибилност упарена са чврстим дизајном омогућава да наша машина ради без проблема. Поред тога, Раидафон нам је брзо доставио испоруку, а њихова корисничка услуга је била врхунска — учинила је цело искуство куповине много бољим. Топло препоручујем ову поуздану универзалну спојницу са флексибилном прирубницом!
⭐⭐⭐⭐⭐ Матео Роси, оперативни менаџер, Милан Индустриал Солутионс, Италија
Били смо у потрази за универзалном спојницом која би могла добро да се носи са неусклађеностима, и тако смо пронашли Раидафонову универзалну спојницу СВЦ-БФ Стандард Флек Фланге Типе. Користимо га већ неколико недеља и могу са сигурношћу да кажем да проверава све наше кутије. Инсталација је била лака, без додатних проблема, а чак и када смо га ставили у изазовне услове, издржао је. Квалитет је изванредан за цену—дефинитивно паметна инвестиција за нашу машинерију. Заиста сам задовољан и производом и услугом коју нам је Раидафон пружио.
Раидафон није само произвођач – ми смо водећи добављач врхунских компоненти за пренос и решења за индустријске машине, а имамо и дубоку стручност у производима као што је СВЦ карданска спојница са универзалним зглобом. Почели смо са иновацијама и квалитетом у сржи, а временом смо проширили нашу понуду тако да укључује мењаче, погонске осовине, хидрауличне цилиндре, ременице и напредне алатне машине—све направљене да задовоље тешке захтеве пољопривредне и тешке индустрије. Наша решења за универзалне спојнице високог обртног момента су направљена са пажњом, обезбеђујући неометани пренос обртног момента и исправан третман неусклађености – апсолутно су неопходна за клијенте којима је потребна поуздана универзална спојница за тешке услове рада за рад у ваљаоници.
Наши производни погони су најсавременији: имамо ЦНЦ радионице, опрему за брушење и термичку обраду и 3Д системе за мерење. Држимо се строгих стандарда као што је ИСО9001/ТС16949, тако да је свака индустријска универзална спојница коју направимо прецизна и изграђена да траје. Узмите, на пример, нашу издржљиву СВЦ спојницу универзалне осовине у опреми за дизање и руковање материјалом—оптимизована је за места којима је потребна озбиљна носивост. А наша СВЦ универзална спојница за тешке услове рада? Решава проблеме у системима спојница универзалног зглоба за тешке машине, где се о постојању стабилности у екстремним условима не може преговарати.
Велики смо и у глобалном домету — 80% наших производа се извози на тржишта попут САД-а, Немачке, Јапана, Италије, Малезије, Аустралије и Блиског истока. Имамо снажну мрежу широм Кине, Јужне Кореје, Велике Британије, Сингапура, САД-а и Шпаније, што нам омогућава да креирамо прилагођену ефикасну универзалну спојницу за велике могућности преноса енергије. Они су прилагођени специфичним потребама, као што су наша решења за универзалне спојнице за уштеду енергије која постижу ефикасност преноса до 98,6% – смањујући потрошњу енергије у поставкама велике снаге.
Одрживост и иновације усмерене на клијента су нам важне. Зато нудимо опције за универзалне спојнице са ниским нивоом буке које одржавају буку између 30-40 дБ(А)—савршено за индустријска места где бука представља забринутост. И све подржавамо пуном подршком након продаје. Наша посвећеност да радимо ствари како треба чини Раидафон поузданим партнером у индустрији преноса, помажући професионалцима да извуку најбоље перформансе и поузданост из своје опреме.
Адреса
Индустријска зона Луотуо, округ Зхенхаи, град Нингбо, Кина
Тел
Е-маил


+86-574-87168065


Индустријска зона Луотуо, округ Зхенхаи, град Нингбо, Кина
Ауторско право © Раидафон Тецхнологи Гроуп Цо., Лимитед Сва права задржана.
Links | Sitemap | RSS | XML | Политика приватности |
