КР код
Производи
Контактирајте нас


Фак
+86-574-87168065

Е-маил

Адреса
Индустријска зона Луотуо, округ Зхенхаи, град Нингбо, Кина
Раидафонова универзална спојница СВЦ-ВФ без флексибилног типа прирубнице је направљена само за пренос великог обртног момента у тешким машинама—мислите на металуршку опрему, дизалице, рударске системе, све тешке поставке којима је потребна стална снага. Има нефлексибилан дизајн прирубнице, пречнике окретања у распону од 160 мм до 640 мм, а ова универзална спојница типа прирубнице се носи са великим угаоним неусклађеностима плус континуиране брзине ротације без проблема, чак и када се ради у супер захтевним условима. За његову израду користимо челик високе чврстоће 35ЦрМо, тако да савршено подноси интензивна оптерећења — управо зато је то најбољи избор за универзалне спојнице за тешке машине и нефлексибилне универзалне спојнице за индустријску примену. Раидафонова прецизна производња осигурава да сваки пут испоручује солидне перформансе, посебно за индустрије које не могу да угрозе доследну испоруку обртног момента.
Ова СВЦ-ВФ универзална спојница је направљена да траје, са чврстим прирубничким спојем који олакшава инсталацију у системима као што су погони за бродоградњу и ваљаонице—места где аксијално померање није много. Стриктно следимо стандарде ИСО 9001, а наша фабрика са седиштем у Кини користи напредну машинску обраду плус строге провере квалитета како би ову издржљиву прирубничку спојницу направила. Долази у прилагодљивим величинама, са вредностима обртног момента до 1250 кН·м, тако да се уклапа директно у прилагођене универзалне спојнице за металуршку опрему и друге поставке за тешке услове рада. Раидафон такође нуди прилагођена решења по конкурентним ценама, помажући да се смањи време застоја и повећа поузданост ваше опреме.
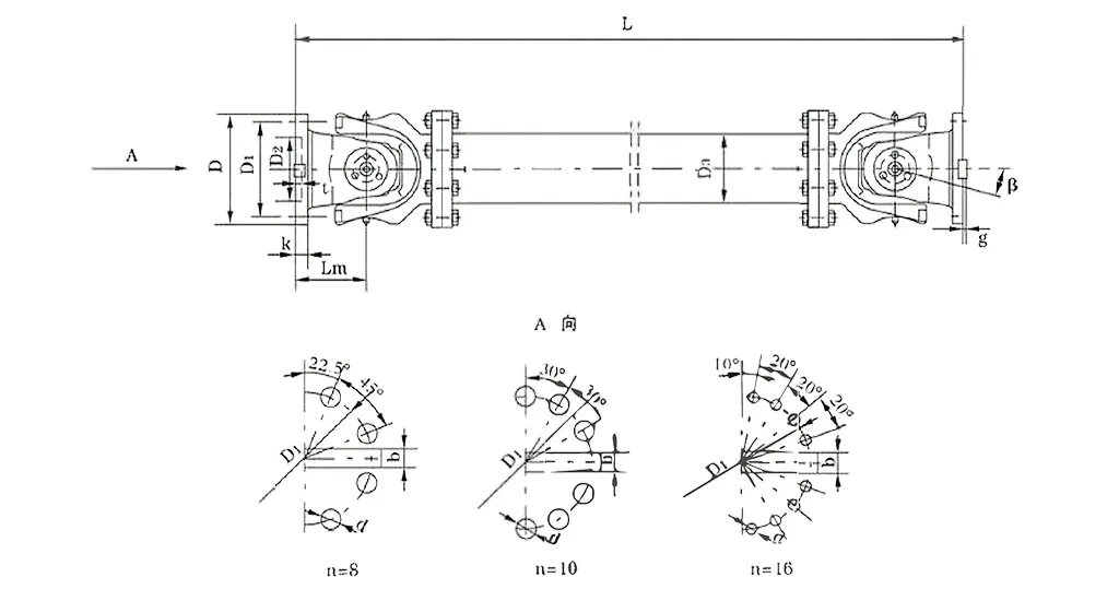
| бр. | Пречник ротације Д мм | Номинални обртни момент Тн КН·м | Угао савијања осе β (°) | Уморни обртни момент Тф КН·м | Величина (мм) | Ротациона инерција кг.м2 | Тежина (кг) | |||||||||||
| Лмин | Д1 (јс11) | Д2 (Х7) | Д3 | Лм | н-д | k | t | b (х9) | g | Лмин | Повећати 100мм | Лмин | Повећати 100мм | |||||
| СВЦ285ВФ | 285 | 90 | 45 | ≤15 | 810 | 245 | 170 | 194 | 160 | 8-21 | 27 | 7 | 40 | 15 | 2.664 | 0.051 | 220 | 6.3 |
| СВЦ315ВФ | 315 | 125 | 63 | 915 | 280 | 185 | 219 | 180 | 10-23 | 32 | 8 | 40 | 15 | 4.469 | 0.0795 | 300 | 8.0 | |
| СВЦ350ВФ | 350 | 180 | 90 | 980 | 310 | 210 | 267 | 194 | 10-23 | 35 | 8 | 50 | 16 | 7.388 | 0.2219 | 412 | 15.0 | |
| СВЦ390ВФ | 390 | 250 | 125 | 1100 | 345 | 235 | 267 | 215 | 10-25 | 40 | 8 | 70 | 18 | 13.184 | 0.2219 | 588 | 15.0 | |
| СВЦ440ВФ | 440 | 355 | 180 | 1290 | 390 | 255 | 325 | 260 | 16-28 | 42 | 10 | 80 | 20 | 23.250 | 0.4744 | 880 | 21.7 | |
| СВЦ490ВФ | 490 | 500 | 250 | 1360 | 435 | 275 | 325 | 270 | 16-31 | 47 | 12 | 90 | 22.5 | 40.750 | 0.4744 | 1173 | 21.7 | |
| СВЦ550ВФ | 550 | 710 | 355 | 1510 | 492 | 320 | 426 | 305 | 16-31 | 50 | 12 | 100 | 22.5 | 68.480 | 1.3570 | 1663 | 34.0 | |
| СВЦ620ВФ | 620 | 1000 | 500 | 1690 | 555 | 380 | 426 | 340 | 10-38 | 55 | 12 | 100 | 25 | 127.530 | 1.3570 | 2332 | 34.0 | |
* 1. Тф-под наизменичним оптерећењем обртни момент који дозвољава према снази замора.
* 2. Л-уградња дужине, која је у складу са захтевом.
Раидафон-ова СВЦ-ВФ без универзалне спојнице са флексибилном прирубницом — која се назива и универзална спојница карданског вратила СВЦ — ради на основној механичкој идеји: добија обртни момент од две неколинеарне осовине до места где треба да иде, а такође се бави неусклађеношћу. Ова спојница са универзалним зглобом високог обртног момента користи поставку унакрсних лежајева за повезивање прирубница на оба краја, тако да чак и када су осовине помакнуте до 25 степени или имају аксијално/радијално одступање, и даље глатко помера снагу ротације.
Срце начина на који функционише је дизајн универзалног зглоба - постоји попречна осовина која делује као стожер, омогућавајући свакој прирубници да се креће самостално. На тај начин, обртни момент ефикасно иде са погонског вратила на погонско вратило, и надокнађује угаоне неусклађености без превеликог напрезања делова на које је повезан. Ако вам је потребна поуздана универзална спојница за тешке услове рада за рад у ваљаоници, ова крута, нефлексибилна структура прирубнице одржава ствари стабилнима, што је савршено за везе на кратким растојањима у компактним поставкама тешких машина.
Оно по чему се његова функција истиче је то што нема флексибилне делове или карактеристике проширења - ово га издваја од других типова и чини га одличним за места где је аксијално померање минимално. Издржљива СВЦ спојница универзалне осовине коју користимо у опреми за дизање и руковање материјалом ослања се на овај принцип да остане уравнотежена чак и под великим оптерећењима; постиже ефикасност преноса до 98,6% и не троши много енергије. Ова индустријска универзална спојница такође смањује вибрације захваљујући прецизном кретању лежаја, тако да ради несметано чак иу ситуацијама високог напрезања – баш као системи за универзалне спојнице за тешке машине које бисте видели у тешким индустријским пословима.
Осим тога, Раидафонова СВЦ универзална спојница за тешке услове рада има заварене прирубнице како би била чвршћа – нема више бриге да ће завртњи олабавити, и повећава укупну снагу за 30% до 50%. Као ефикасна универзална спојница за велики пренос снаге, подноси називне моменте од 0,15 до 1000 кН·м и има пречнике ротације од φ58 до φ620 — што га чини најбољим избором за решења за универзалне спојнице које штеде енергију у захтевним индустријским преносима. Уз буку која се одржава између 30-40 дБ(А), ова универзална спојница са ниским нивоом буке ради тихо, што је идеално за индустријска места где је бука забринута, уз истовремено одржавање високих стандарда поузданости.
Раидафонова СВЦ универзална спојница—често се назива и СВЦ универзална спојница карданског вратила—није само редовни део; то је неопходан за тешке индустријске инсталације, као што су ваљаонице, машине за дизање и све врсте чврстих система тешких машина. Као спојница са универзалним зглобом високог обртног момента, обавља солидан посао повезујући две осовине преноса које нису савршено постављене, осигуравајући да снага настави да тече чак и када су услови рада тешки.
Хајде да причамо о његовим кључним спецификацијама: пречник ротације се креће од φ58 до φ620, номинални обртни момент је од 0,15 до 1000 кН·м, а угао савијања осе није већи од 25°.
Овај производ заиста блиста у специфичним сценаријима—као када вам је потребна поуздана универзална спојница за тешке услове рада за рад у ваљаоници, или издржљива СВЦ спојница са универзалним зглобом у опреми за дизање и руковање материјалом. У овим случајевима, доказује своју вредност тако што одржава рад стабилним, чак и када се ради о великим оптерећењима.
Раидафонова СВЦ универзална спојница није направљена само за функцију – она је дизајнирана са паметним дизајном да се издржи у индустријској употреби и задржи добре перформансе дугорочно. Хајде да разложимо шта чини његову структуру истакнутом.
Прво, има разумну и безбедну конфигурацију: користили смо интегрисани дизајн главе виљушке за ову индустријску универзалну спојницу, која смањује ризике као што су завртњи који се олабаве или ломе. Само то повећава њен структурални интегритет за 30%-50%, тако да ради безбедно и поуздано. У поређењу са обичним спојницама, он траје дуже и избегава уобичајене кварове на местима са високим напрезањем—попут система за универзалне спојнице за тешке машине које видите на тешким пословима.
Затим, ту је и његов побољшани капацитет носивости: ова универзална спојница за тешке услове рада СВЦ направљена је да издржи велике тежине, тако да је неопходна на местима где је потребно врхунско управљање оптерећењем, као што су рударске или грађевинске машине.
Такође пружа високу ефикасност преноса—до 98,6%. Као ефикасна универзална спојница за велики пренос снаге, смањује потрошњу енергије и трошкове који са њом долазе. Зато је то врхунски избор за решења за универзалне спојнице које штеде енергију у индустријским преносним системима велике снаге.
И ради глатко са ниским нивоом буке: одржава пренос стабилним, а бука обично остаје између 30-40 дБ(А). Ова универзална спојница са ниским нивоом буке осигурава да рад остане тих, што је савршено за места где бука представља проблем—и све то уз одржавање поузданости на високом нивоу.
⭐⭐⭐⭐⭐ Цхен Лианг, производни инжењер, Зхејианг Мацхинери Цо., Лтд.
Поставили смо Раидафонов СВЦ-ВФ без универзалне спојнице типа флекс прирубнице на једну од наших производних линија и до сада је одлично радио. Структура је једноставна, али тешка - инсталирање је било лако, без компликованих корака. Када је постављен, ради глатко, нема потребе за додатним подешавањима. Чак и када је оптерећење велико, ова спојница остаје поуздана, што значи да можемо да одржавамо машине да раде дуге сате без превише бриге—дефинитивно нам даје више мира.
⭐⭐⭐⭐⭐ Сун Меи, надзорник набавке, Хебеи Стеел Цо., Лтд.
Наша компанија је купила неколико универзалних спојница типа СВЦ-ВФ без флексибилне прирубнице од Раидафона, и као прво, испорука је била на време, а паковање је такође било пажљиво — није било никаквих оштећења. Оно што се заиста истиче за мене је оно што је тим радионице рекао: рекли су ми да се спојнице лако инсталирају, а када их користим, осећају се заиста чврсто. Осим тога, у поређењу са другим добављачима, цена је фер. Све у свему, заиста смо задовољни овом куповином.
⭐⭐⭐⭐⭐ Гуо Џун, менаџер одржавања, групација тешке индустрије Лиаонинг
Мој посао је да одржавам наше машине у раду и покушавам да смањим застоје колико год могу. Откако смо почели да користимо Раидафонов СВЦ-ВФ без универзалне спојнице типа флекс прирубнице, приметио сам велику разлику—мање хабање дела и много мање проблема током рада. Дизајн је тежак и не треба му пуно одржавања. То нам штеди време и новац, а испоставило се да је то супер поуздан део наше опреме.
Раидафон је кључна подружница ЕВЕР-ПОВЕР Гроуп Цо., Лтд.—ми нисмо само добављач, већ и провајдер за компоненте преноса врхунског квалитета и индустријска решења, и стављамо велики фокус на иновативне производе као што је СВЦ карданска спојница са универзалним зглобом. Од када смо започели, сви смо радили на унапређењу технологије и расту на глобалним тржиштима; нисмо се зауставили на продаји појединачних компоненти – сада правимо комплетна системска решења која савршено одговарају пољопривредним и тешким индустријским потребама. Наше знање о погонским вратилима и производима за пренос значи да клијенти којима је потребна поуздана универзална спојница за тешке услове рада за рад у ваљаоници (и друге тешке послове) могу рачунати на нас као на солидног партнера.
У Раидафону правимо широк спектар производа: мењаче, погонске осовине, хидрауличне цилиндре, ременице, па чак и напредне алатне машине као што су ЦНЦ стругови и глодалице. Наша решења за универзалне спојнице са високим обртним моментом — узмите серију СВЦ, на пример — направљена су да испуне строге захтеве индустрије којима је потребна издржљива СВЦ спојница за универзалну зглобну осовину у опреми за дизање и руковање материјалом. Имамо и напредне објекте: ЦНЦ радионице, машине за млевење и термичку обраду, алате за 3Д мерење—све како би се придржавали стандарда ИСО9001/ТС16949, тако да је свака индустријска универзална спојница коју направимо врхунског квалитета и прецизна.
80% наших производа продајемо у иностранству, на тржишта као што су САД, Немачка, Јапан, Италија, Малезија, Аустралија и Блиски исток. И имамо јаку мрежу на местима као што су Кина, Јужна Кореја, Велика Британија, Сингапур, САД и Шпанија која то подржава. Овај глобални домет нам омогућава да креирамо прилагођена решења, као што је СВЦ универзална спојница за тешке услове рада—дизајнирана за системе универзалне спојнице за тешке машине који треба да поднесу велика оптерећења и трају дуго.
Иновација и задовољство купаца су наши приоритети. Нудимо решења за универзалне спојнице које штеде енергију која постижу ефикасност преноса до 98,6%, смањујући оперативне трошкове за подешавања велике снаге. Без обзира да ли вам је потребна ефикасна универзална спојница за пренос велике снаге или универзална спојница са ниским нивоом буке за места где је бука битна, наши производи долазе са професионалним постпродајним услугама — а ми смо посвећени томе да ствари радимо како треба. Зато је Раидафон најбољи избор за све ваше потребе преноса.
Адреса
Индустријска зона Луотуо, округ Зхенхаи, град Нингбо, Кина
Тел
Е-маил


+86-574-87168065


Индустријска зона Луотуо, округ Зхенхаи, град Нингбо, Кина
Ауторско право © Раидафон Тецхнологи Гроуп Цо., Лимитед Сва права задржана.
Links | Sitemap | RSS | XML | Политика приватности |
