КР код
Производи
Контактирајте нас


Фак
+86-574-87168065

Е-маил

Адреса
Индустријска зона Луотуо, округ Зхенхаи, град Нингбо, Кина
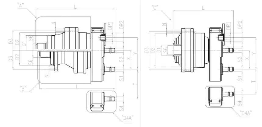
| Модел | ПГ-702 | ПГ-1002 | ПГ-1602 | ПГ-1802 | ПГ-2502 | ПГ-3002 | ПГ-3503 | |||
| Однос и | 18.2 | 18.3 | 13.4-33.6 | 15.7-29.9 | 14.6-20-36.2 | 45.3 | 53.7 | |||
| Тип излаза | B | B | B | C | B | C | A | C | C | C |
| Д1 |
|
|
|
88ХБ |
|
88ХБ | 245Ф7 | 102Х7 | 102Х7 | 122ХФ |
| Д2 | 200Ф7 | 230Ф7 | 230Ф7 | 278Ф7 | 230Ф | 278Ф7 | 340Ф7 | 340Ф7 | 340Ф7 | 340Ф7 |
| Д3 | 250 | 295 | 295 | 314 | 295 | 314 | 370 | 370 | 370 | 370 |
| N | ∅15×Н°12 | ∅17×Н°10 | ∅17×Н°10 | ∅15×Н°18 | ∅17×Н°10 | ∅15×Н°18 | ∅17×Н°15 | ∅17×Н°15 | ∅17×Н°15 | ∅17×Н°15 |
| L | 646.5 | 627.5 | 693 | 490.5 | 714 | 499.5 | 798.5 | 595.5 | 601 | 680.5 |
| С6 | 70*64 ДИН5482 | 80*74 ДИН5482 | 100*94 ДИН5482 | 80*74 ДИН5482 | 100*94 ДИН5482 | 80*74 ДИН5482 | 100*94 ДИН5482 | 100*94 ДИН5482 | 100*94 ДИН5482 | 120*22*5 ДИН5482 |
| С1 | 1" 3/8 З6 | 1" 3/8 З6 | 1" 3/8 З6 | 1" 3/8 З6 | 1" 3/8 З6 | 1" 3/8 З6 | 1" 3/8 З6 | 1" 3/8 З6 | 1" 3/8 З6 | 1" 3/8 З6 |
| С2 | 1" 3/8 З6 | 1" 3/8 З6 | 1" 3/8 З6 | 1" 3/8 З6 | 1" 3/8 З6 | 1" 3/8 З6 | 1" 3/8 З6 |
|
|
|
| ДП1 | 40*36 ДИН5482 | 40*36 ДИН5482 | 40*36 ДИН5482 | 40*36 ДИН5482 | 40*36 ДИН5482 | 40*36 ДИН5482 | 40*36 ДИН5482 | 40*36 ДИН5482 | 40*36 ДИН5482 | 40*36 ДИН5482 |
| ДП2 | 60.3ХБ | 60.3ХБ | 60.3ХБ | 60.3ХБ | 60.3ХБ | 60.3ХБ | 60.3ХБ | 60.3ХБ | 60.3ХБ | 60.3ХБ |
| X | 157 | 157 | 157 | 157 | 157 | 157 | 157 | 157 | 157 | 157 |
| Y | 262 | 262 | 262 | 262 | 262 | 262 | 262 | 262 | 262 | 262 |
| С4 |
|
|
|
1" 3/8 З6 |
|
1" 3/8 З6 |
|
1" 3/8 З6 | 1" 3/8 З6 | 1" 3/8 З6 |
| T |
|
|
|
156.8 |
|
156.8 |
|
156.8 | 156.8 | 156.8 |
| Модел | Однос и | Д1 | Д2 | Д3 | Д4 | N | E |
| ПГ-1602 | 22.14-33.6 | 80*74 ДИН5482 | 225 Ф7 | 278 Ф7 | 314 | ∅15×Н°18 | САЕ Б/САЕ Ц |
| ПГ-2502 | 20-36.2 | 100*94 ДИН5482 | 245 Ф7 | 340Ф7 | 370 | ∅17×Н°15 | САЕ Б/САЕ Ц |
| Модел | Однос и | Д1 | Д2 | Д3 | N | E |
| ПГ-161 | 3,55-2,49-5,60 | 40*36 ДИН5482 | 110 Ф7 | 165 | ∅10,5×Н°8 | САЕ А/САЕ Б/САЕ ББ/ОМТС |
| ПГ-251 | 4.13-5.17-6.00 | 58*53 ДИН5482 | 150 Ф7 | 195 | ∅13×Н°10 | САЕ А/САЕ Б/САЕ ББ/ОМТС |
| ПГ-501 | 4.13-5.17-6.00 | 58*53 ДИН5482 | 150 Ф7 | 195 | ∅13×Н°10 | САЕ А/САЕ Б/САЕ ББ/ОМТС |
РазвојПланетарни мењач мешалице хране серије ПГпроизилази из дубоког увида у болне тачке преносног система традиционалне опреме за мешање. Његова архитектура дистрибуираног преноса са три планетарна зупчаника није једноставно слагање механичких структура, већ се кроз поновљене симулације услова напрезања под различитим односима сировина коначно одређује златна комбинација модула зупчаника, ширине зубаца и угла спирале. На пример, када се обрађују стабљике кукуруза и мешавине сојиног брашна, његов јединствени еволвентни дизајн зуба може смањити ризик од заглављивања материјала за 15%. Са процесом брушења високе прецизности, храпавост површине зуба се контролише испод Ра0,8, што повећава ефикасност преноса за 8%-10% у поређењу са традиционалним мењачима. Измерени подаци фабрике сточне хране показују да је за 12 сати непрекидног рада дневно, потрошња енергије овог мењача за 14% мања него код сличних производа, а амплитуда флуктуације обртног момента вратила за мешање смањена је за 22%, што значајно побољшава уједначеност мешања.
За тврде честице као што су песак, камен и метални остаци који се често мешају у сировинама за храну, овај мењач је циљано у смислу материјала и процеса. Тело зупчаника је направљено од легираног челика 20ЦрМнТи. Након третмана каљења са дубином карбуризације од 1,2 мм, у комбинацији са поступком каљења на ниским температурама, заморна чврстоћа корена зуба се повећава на више од 850 МПа. Под екстремним радним условима непотпуног просејавања сировина на ранчу, његова отпорност на удубљење је издржала континуирано 500-часовно испитивање песка и шљунка, а на површини зуба су се појавиле само мале огреботине без љуштења. У исто време, оптимизовањем распореда ребрасте плоче и предоптерећења лежаја планетарног носача, мењач и даље може да одржи тачност преноса када је подвргнут тренутном удару од 1,5 пута већег од номиналног обртног момента, избегавајући ризик од неусклађености зупчаника или ломљења зубаца узрокованих преоптерећењем.
Интелигентни дизајн мењача је изведен из дубоког разумевања болних тачака рада и одржавања у индустрији прераде сточне хране. Његов уграђени интелигентни надзорни модул није једноставан сакупљач података, већ унакрсна анализа температуре, вибрација, струје и других сигнала кроз алгоритамски модел. На пример, када се открије да је температура лежаја ненормално висока, систем ће комбиновати податке историје оптерећења да би утврдио да ли је у питању недовољно подмазивање или истрошеност лежаја и даће специфичне препоруке за одржавање. Након примене овог система, компанија за храну је избегла три непланирана застоја заменом масти и подешавањем зазора лежајева унапред, а укупна ефикасност опреме (ОЕЕ) повећана је за 18%. Поред тога, дизајн његове модуларне структуре за брзо отпуштање инспирисан је повратним информацијама особља за одржавање на првој линији. Само четири вијка треба да се олабаве да би се завршила целокупна замена комплета планетарних зупчаника, а време одржавања је скраћено са 4 сата традиционалне структуре на 1,5 сат.
У погледу заштите животне средине и оптимизације енергетске ефикасности, иновативни дизајн мењача произилази из прецизног схватања потреба индустрије сточне хране за смањење трошкова и повећање ефикасности. Његова структура дисипације топлоте не повећава слепо површину одвођења топлоте, већ оптимизује спирални угао и размак ребара за дисипацију топлоте кроз симулацију механике флуида, тако да се природна ефикасност одвођења топлоте повећава за 30%, чиме се смањује потрошња енергије вентилатора за хлађење. У систему за подмазивање, усвојена је двозонска технологија довода уља за динамичко прилагођавање запремине уља према оптерећењу, избегавајући метод подмазивања „поплаве“ традиционалних мењача и смањујући потрошњу мазива за 25%. Стварно мерење линије за производњу сточне хране која се извози у Европу показује да је ниво буке мењача 5дБ нижи од стандарда ЕУ, а ниво његове енергетске ефикасности достиже ИЕ3 стандард, помажући купцима да успешно прођу сертификацију енергетске ефикасности земље увознице. Овај концепт дизајна који дубоко повезује техничке детаље са комерцијалном вредношћу је кључ за препознатљивост производа на тржишту.
Здраво! Ја сам Елена Гарциа, муштерија из Барселоне, Шпанија. Већ годину и по користимо ваш планетарни мењач у нашем систему за праћење фотонапонских панела. Ова опрема је у потпуности решила наш проблем тачности праћења сунчеве светлости - мењач који смо раније користили је увек имао одступање од око 5 степени сваког јутра и вечери, док ваш планетарни мењач са енкодером може да контролише грешку у праћењу унутар 0,5 степени. Сада је просечна дневна производња електричне енергије фотонапонских панела порасла за 18% у односу на раније, а чак је и рачун за струју постао знатно тањи. Сада је овај планетарни мењач издржао тест сланог прскања и јаких ветрова у фотонапонској електрани на мору. Антикорозивни премаз кућишта мењача није показао знакове отпадања, а унутрашње уље мењача не треба да се мења тако често као раније. Радујем се што ћу радити са вама на више пројеката обновљиве енергије у будућности!
Ја сам Ханс Милер, машински инжењер из Немачке. Пре пола године купио сам Раидафонове планетарне мењаче за надоградњу производних линија. Након што сам их користио, премашили су моја очекивања! Опрема ради са великим оптерећењем 16 сати дневно за обраду високовискозних сировина. Бука мењача је смањена за 20%, ефикасност преноса је стабилна на више од 94%, пораст температуре се увек контролише унутар 25°Ц, а издржљивост је далеко боља од старих модела. Ваш тим је био професионалан и ефикасан током целог процеса, од ране оптимизације параметара, прилагођавања структуре заптивања до даљинског упутства за отклањање грешака. Детаљан дизајн (као што су заптивке отпорне на прашину и стандардизоване рупе за монтажу) додатно одражава дубоко разумевање стварних услова рада. Квалитет производа и ниво услуге Раидафона натерали су ме да га без оклевања уврстим на листу дугорочних добављача и топло га препоручујем својим колегама!
Толико година водим ранч и променио сам много мењача. Тек када сам користио Раидафонов планетарни мењач, заиста сам схватио шта значи бити безбрижан! Опрема коју сам раније користио је увек била слаба када је мешала силажу, а зупчаници су често проклизали. Нисам очекивао да ће твој планетарни мењач бити тако моћан. Ваш производ је много једноставнији за инсталирање него што сам мислио, а такође га је лако одржавати. Последњи пут када сам лично вршио дневни преглед, открио сам да је мењач веома добро затворен и да уопште није било знакова цурења уља. Дефинитивно ћу наставити да вас подржавам у будућности и препоручићу вас својим пријатељима на ранчеру! ----Марк Џонсон
Адреса
Индустријска зона Луотуо, округ Зхенхаи, град Нингбо, Кина
Тел
Е-маил


+86-574-87168065


Индустријска зона Луотуо, округ Зхенхаи, град Нингбо, Кина
Ауторско право © Раидафон Тецхнологи Гроуп Цо., Лимитед Сва права задржана.
Links | Sitemap | RSS | XML | Политика приватности |
