КР код
Производи
Контактирајте нас


Фак
+86-574-87168065

Е-маил

Адреса
Индустријска зона Луотуо, округ Зхенхаи, град Нингбо, Кина
Ако имате посла са машинама као што су пумпе које покрећу течности цео дан, вентилатори који одржавају вентилацију простора или текстилна опрема која ради без престанка - потребна вам је спојница која је довољно флексибилна да се носи са малим неусклађеностима, али довољно чврста да задржи стабилан обртни момент. Управо за то је направљена Раидафонова флексибилна спојница НЛ типа НЛ зупчаника. Подноси до 4 мм аксијалног одступања и 2 степена угаоног одступања, тако да чак и када ваше осовине нису савршено поређане, одржава ваш зупчаник да ради без проблема.
Имамо моделе од НЛ1 па све до НЛ10, тако да су прикладни за скоро сваки лаки и средњи посао. Капацитети обртног момента се крећу од 40 Н·м до 3150 Н·м, а пречници отвора иду од 6 мм до 100 мм - нема потребе да тражите величину која је превелика или премала. Оно по чему се ова флексибилна спојница са најлонским зупчаницима истиче је њена конструкција: најлонски рукав високе чврстоће упарен са челичним главчинама. Та комбинација значи да ради тихо и да једва морате да је додирнете ради одржавања – нема сталних провера или поправки које би вас успориле. Одличан је за флексибилне зупчасте спојнице за индустријске машине, а ако посебно радите са пумпама, то је једна од најпоузданијих најлонских зупчаника за пумпе. Поред тога, његов компактан дизајн се уклапа у уске поставке и ради глатко између -20°Ц и +70°Ц—без обзира да ли је ваш радни простор хладан или топао.
У Раидафону, ми правимо ове спојнице у Кини и стриктно се придржавамо стандарда ИСО 9001—сваки део се проверава како бисмо били сигурни да је издржљив и спреман да траје. Најлонска навлака није само јака, већ је и непроводна и отпорна на корозију. То је промена у влажним просторима или областима са хемикалијама, где би друге спојнице могле да зарђају или испадну у кратком споју - ова траје дуже. А његова једноставна структура чини монтажу и демонтажу лаким: нема компликованих алата, само брз рад када треба да га замените или обавите одржавање. Зато је то најбољи избор за прилагођене најлонске зупчаничке спојнице — можемо га подесити да одговара вашем специфичном подешавању — и то је једна од најиздржљивијих флексибилних зупчаника за текстилну опрему, која издржава константно кретање машина за ткање или предење.
Нудимо све врсте величина и конфигурација осовине, тако да добијате спојницу која је прилагођена вашој машини - а не опција која одговара једној величини. И одржавамо цену конкурентном, тако да не морате превише трошити на квалитет. За предузећа широм света, ово значи мање времена застоја (пошто је лако инсталирати и одржавати) и бољу ефикасност опреме – управо оно што вам је потребно да би операције биле несметане.
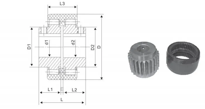
Основна радна логика флексибилне спојнице са најлонским зупчаником типа НЛ ослања се на спојене зубе зупчаника да би се постигао пренос обртног момента, док најлонска чаура изнутра, као кључна флексибилна компонента, не само да може ефикасно да компензује неусклађеност система вратила, већ такође игра важну улогу у апсорпцији удараца. У овом конструкцијском дизајну, две главчине са спољним зупцима су повезане преко уграђене најлонске унутрашње чауре зупчаника. Ова комбинација не само да обезбеђује ефикасан пренос снаге у механичким системима, већ и значајно смањује вибрације и ударе настале током рада. Ова предност дизајна је посебно очигледна у случајевима примене флексибилних спојница типа НЛ са зупчаницима које је потребно прилагодити малој и средњој опреми.
Када погонско вратило преноси обртни момент на једну од главчина, спољашњи зупци на главчини ће се тачно спојити са унутрашњим зубима најлонске унутрашње чауре зупчаника, а затим ће најлонска унутрашња чаура зупчаника несметано преносити снагу на другу главчину спојену на погоњено вратило. Чак и под радним условима у којима постоји угаона, паралелна или аксијална неусклађеност у систему осовине, овај механизам преноса мреже може да обезбеди стабилан рад опреме. Стога, у областима које захтевају поуздана решења за флексибилне зупчасте спојнице, као што су системи преноса аутоматизованих производних линија, напајање пумпне опреме и погонских уређаја транспортера, најлонска зупчаста флексибилна спојница типа НЛ је пожељан производ.
Најлонски материјал који се користи у најлонској флексибилној спојници типа НЛ има одличну еластичност и својства пригушења, што не само да може смањити хабање механичке опреме која је повезана са њим, већ и продужити век трајања читавог система преноса. Као професионални произвођач зупчастих спојница, Раидафон бира напредне материјале и оптимизује производни процес приликом производње спојница типа НЛ, омогућавајући производима да одрже одличне перформансе у сложеним радним условима у различитим индустријама. На пример, у сценаријима који се баве променљивим оптерећењем, флексибилна спојница типа НЛ од најлонског зупчаника коју производи Раидафон може се ослонити на своју одличну способност компензације неусклађености како би избегли кварове преноса узроковане неусклађеношћу система вратила и смањили време застоја опреме.
Да би флексибилна спојница НЛ типа НЛ одржала стабилну радну ефикасност, неопходно је свакодневно одржавање, међу којима је редовно подмазивање делова зупчаника зупчаника кључна карика. Разумно подмазивање може смањити губитак трења током спајања зубаца зупчаника, додатно побољшати стабилност рада спојнице и смањити вероватноћу кварова. Генерално, принцип рада најлонске флексибилне спојнице типа НЛ је постизање снажног преноса обртног момента узимајући у обзир флексибилност и стабилност система преноса кроз синергистички ефекат круте главчине и флексибилне најлонске чауре. Као искусан добављач зупчастих спојница, Раидафон увек контролише прецизност и поузданост производа у складу са строгим стандардима како би обезбедио купцима у различитим индустријама производе флексибилне спојнице НЛ типа НЛ са јаком прилагодљивошћу и високом издржљивошћу.
Флексибилна спојница са најлонским зупчаником типа НЛ је посебно пројектована за примене високих перформанси у захтевним механичким сценаријима. Осигурава стабилан пренос снаге уз флексибилно прилагођавање неусклађености осовине, што га чини висококонкурентном опцијом у категорији зупчастих спојница са најлонским рукавима. Кључни дизајнерски врхунац ове спојнице лежи у њеној најлонској навлаци високе чврстоће, која не само да даје спојници одличну способност еластичне деформације, већ и значајно повећава издржљивост целокупне структуре. Ово га чини посебно погодним као критична компонента зупчаника са флексибилним најлонским рукавима у индустријској опреми која ради током дужег периода.
Што се тиче капацитета преноса обртног момента, флексибилна спојница са зупчаником НЛ типа НЛ пружа изванредне перформансе, лако се носи са захтевима високог обртног момента. Било да се ради о алатним машинама за тешке услове рада, рударским машинама или транспортној опреми великих размера — а све то захтева високу поузданост у преносу снаге — ради стабилно, постављајући се као пожељан модел најлонске зупчасте спојнице високог обртног момента за бројне радне услове високог обртног момента. Када се бавимо уобичајеним проблемом неусклађености осовине током механичког рада, ова флексибилна најлонска зупчаста спојница такође показује одличну прилагодљивост. Може ефикасно да апсорбује и компензује угаоно одступање, паралелно неусклађеност и аксијално неусклађеност, чиме значајно смањује додатни стрес на спојеним вратилима и помаже да се продужи радни век целог система преноса. Ова карактеристика је посебно важна за производну опрему која захтева дуготрајан континуирани рад.
Штавише, најлонски материјал НЛ Типе Нилон Геар Флексибилне спојнице инхерентно поседује одлична својства апсорпције удара и пуферирања. Током рада опреме, може ефикасно смањити утицај вибрација и удараца, обезбеђујући глаткији рад система преноса. Сходно томе, у динамичним радним условима са честим вибрацијама, постао је пожељно решење за најлонске зупчасте спојнице које апсорбују ударце за многа предузећа. Што се тиче отпорности на корозију, поред одличне отпорности на хемијску корозију најлонске навлаке, металне компоненте ове спојнице пролазе кроз посебан третман, омогућавајући стабилан рад у влажним, прашњавим или благо корозивним срединама. У поређењу са традиционалним крутим спојницама, показује јачу прилагодљивост у тешким радним условима, у потпуности испуњавајући захтеве индустријског сектора за издржљивим најлонским зупчастим спојницама.
Из перспективе рада и одржавања, најлонска флексибилна спојница типа НЛ има дизајн без одржавања. Елиминише потребу за честим додавањем или подешавањима мазива, што не само да смањује оптерећење дневног одржавања већ и смањује ризик од кварова опреме узрокованих неправилним одржавањем. Ово ефикасно контролише оперативне трошкове и време застоја, савршено усклађујући се са критеријумима одабира индустрија које теже ефикасној производњи са малом потрошњом за флексибилне зупчасте спојнице које не захтевају много одржавања. У међувремену, његова укупна структура је лагана и компактна, што олакшава једноставну и брзу инсталацију и демонтажу. Чак и код распореда опреме са ограниченим простором, монтажа ове компактне најлонске зупчасте спојнице може се лако завршити, додатно побољшавајући ефикасност инсталације и одржавања опреме.
Укратко, интеграција најлонске флексибилне спојнице типа НЛ у систем преноса обезбеђује стабилнију и ефикаснију оперативну подршку за опрему. Нарочито у области прецизне производње, где је потребан пренос високе прецизности, ова најлонска зупчаста спојница високих перформанси — са својим оптимизованим дизајном — у потпуности испуњава вишеструке захтеве за тачност преноса, поузданост и прилагодљивост, служећи као витална компонента у побољшању укупних перформанси опреме.
Флексибилна спојница НЛ типа НЛ ради као део преноса за све врсте механичких подешавања којима је потребан сталан пренос снаге. Оно по чему се истиче је најлонска навлака—савија се баш како би упијала вибрације и поправила мала неусклађеност осовине, тако да је савршена за било коју употребу зупчасте спојнице где вам је потребно поуздано кретање обртног момента без пребрзог трошења делова.
Узмимо, на пример, индустријску машинерију. Ова спојница је одлична за спајање мотора на пумпе или компресоре. Када те машине раде, често шаљу изненадна ударна оптерећења кроз систем, али флексибилна спојница са најлонским зупчаницима НЛ типа олакшава тај утицај, помажући да читаво подешавање траје дуже. А на транспортним линијама — знате, онима које без престанка померају материјале у фабрикама — ова индустријска најлонска зупчаста спојница омогућава да ствари раде глатко чак и када се оптерећење промени. За разлику од старих крутих спојница које се често кваре, ова смањује време застоја и новац који трошите на поправљање ствари.
Свет аутомобила и транспорта такође га користи, посебно за погонске осовине и делове управљача. Аутомобили и камиони морају да се носе са много вибрација увијања када се крећу, али ова флексибилна зупчаста спојница за аутомобилске погоне их упија. То не само да чини возило бољим већ и безбеднијим – нема чудних потреса који би одбацили управљач или истрошили погон.
Када је у питању употреба прецизних зупчаника, као што су ЦНЦ машине или индустријски роботи, ова спојница заиста блиста. Те машине се брзо окрећу и потребно им је супер прецизно кретање, али чак и мала неусклађеност осовине (као што су углови или паралелни помаци) могу да забрљају ствари. Флексибилна спојница са најлонским зупчаником НЛ типа решава те проблеме док одржава корак са великим брзинама. Зато многе компаније које граде аутоматизоване монтажне линије траже ову најлонску зупчаницу за прецизну ЦНЦ опрему када им је потребна прилагођена подешавања.
Такође ћете га наћи у ХВАЦ системима и постројењима за пречишћавање воде. На тим местима се често користе вентилатори и дуваљке, а ако ти делови превише вибрирају, постају гласни и покваре се. Ова флексибилна спојница са зупчаницима за пригушивање вибрација за вентилаторе ХВАЦ одржава буку и стабилан рад опреме—нема неочекиваних заустављања у процесима грејања/хлађења или третмана воде.
Све у свему, најлонска флексибилна спојница типа НЛ је повољна опција за скоро сваку индустрију. Тешко је, лако се инсталира и обавља посао. Ако тражите поузданог добављача индустријских зупчаника, Раидафон може да вас повеже са прилагођеним опцијама које одговарају вашим тачним потребама — тако да добијете најбоље перформансе и дуготрајан део.
⭐⭐⭐⭐⭐ Ванг Леи, машински инжењер, Гуангзхоу Мацхинери Цо., Лтд.
Већ неко време имамо Раидафонову флексибилну спојницу НЛ типа НЛ од најлона зупчаника на нашим монтажним линијама и она је стабилно радила – много поузданија од неких других спојница које смо испробали. Дизајн најлонског зупчаника се овде истиче: глатко помера обртни момент, нема наглих преноса и толико смањује вибрације да заправо можете приметити разлику у томе како машине раде.
Инсталација је такође била лака. Немамо пуно додатног простора у нашој опреми, али ова спојница се савршено уклапа одмах из кутије - нема потребе да било шта мењате. Ради без престанка, и једва да има икаквих знакова хабања; та издржљивост значи да не заустављамо производњу да бисмо је поправили или заменили тако често. Све у свему, то је солидан, исплатив избор који ради управо оно што нам је потребно.
⭐⭐⭐⭐⭐ Џон Смит, директор фабрике, Цхицаго Индустриал Солутионс, САД
Заменили смо нашу стару металну спојницу за Раидафонов НЛ Типе Нилон Геар оне у нашој фабрици у Чикагу, а промена је била ноћ и дан—могли сте то осетити чим смо упалили машине. Вибрација због које су делови звецкали олабављени? Гоне. Гласно зујање старе спојнице? Утишан толико да је под мирнији. А пренос снаге? Лакше колико год може, чак и када трчимо са великим оптерећењем.
Штавише, он се носи са неусклађеношћу много боље него што је то био метални икада – нема више подешавања сваке недеље да би ствари биле на правом путу. Раидафон нам га је такође брзо донео; испорука је била тачна по плану, а квалитет је био врхунски - без јефтиних делова или лоших радова. Већ сам рекао неколицини других менаџера фабрике о томе; ово је врста производа о којој желите да пренесете реч.
⭐⭐⭐⭐⭐ Ана Милер, супервизор одржавања, Минхен Инжењеринг, Немачка
Раидафонову спојницу НЛ Типе смо ставили у нашу машину велике брзине пре неколико месеци, и то је променило игру за наш тим. Материјал најлонског зупчаника је паметан позив - не хаба се тако брзо као метал, тако да не мењамо делове тако често, и много је тиши. Можда звучи мало, али тиша продавница значи мање замора за тим и мање ометања када проверавамо опрему.
Довољно је флексибилан да се носи са малим помацима који долазе са трчањем великом брзином, али и даље довољно јак да издржи под притиском - без савијања или ломљења. Инсталација је такође била једноставна; наши техничари су га поставили за сат времена, без компликованих упутстава. Имали смо много мање застоја машина откако смо га инсталирали и све тече глатко. Раидафон је доказао да је добављач на кога можемо да рачунамо – без изненађења, само добри производи.
⭐⭐⭐⭐⭐ Карлос Мартинез, оперативни директор, Мадрид Мануфацтуринг Цорп., Шпанија
Раидафонова флексибилна спојница НЛ типа НЛ је управо производ високог квалитета који смо тражили. Додали смо га у нашу производну линију у нади да ћемо смањити вибрације и повећати ефикасност—и испоручио се на оба аспекта, без питања. Најлонска опрема даје му праву количину флексибилности како би ствари функционисале глатко, али не жртвује снагу - чак и када гурамо линију да испунимо кратке рокове.
Такође је компактан, што је велики плус за наше подешавање; немамо пуно додатног простора, а ова спојница се уклапа без гужве у другим деловима. Користимо га већ месецима и није било никаквих проблема – нема кварова, нема чудних звукова, само константан учинак. Између самог производа и одличне услуге коју смо добили од Раидафона, више смо него задовољни. Овај је чувар.
Адреса
Индустријска зона Луотуо, округ Зхенхаи, град Нингбо, Кина
Тел
Е-маил


+86-574-87168065


Индустријска зона Луотуо, округ Зхенхаи, град Нингбо, Кина
Ауторско право © Раидафон Тецхнологи Гроуп Цо., Лимитед Сва права задржана.
Links | Sitemap | RSS | XML | Политика приватности |
